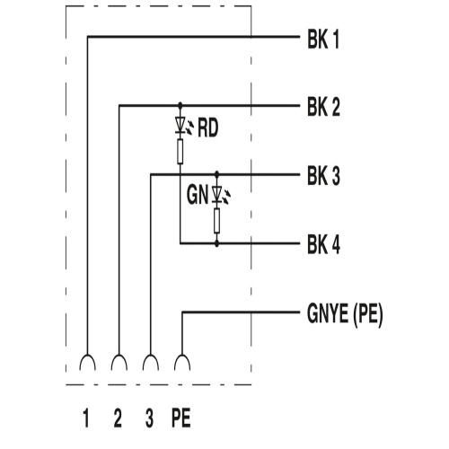
Phoenix Contact 1435111 Sensor/actuator cable SAC-5P-10,0-PUR/AD-2L
Images are for illustration only and may not reflect the actual product. Refer to the description or specs.