- About
- Related Products
- Description
- Specifications
- Features
- Downloads
- Shipping





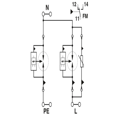
Images are for illustration only and may not reflect the actual product. Refer to the description or specs.
Phoenix Contact 2905466 Type 1+2 special combined lightning current and surge arrester FLT-SEC-T1+T2-1S-350/25-FM
Normally In Stock
Code: 72150
FLT-SEC-T1+T2-1S-350/25-FM Phoenix 2905466 Arrester combination 240 VAC Plug-in/screw connection via COMBICON,Screw connection,Fork-type cable lug Type 1+2 protective device combination Surge Protection
Condition: New
Usually ships Same Day or Next Day$1015.01
Sale Price
$845.84
Tariff Status
Tariff may apply if shipping to the United States. Tariff costs are calculated and will be displayed in the shopping cart.
Need a large quantity or a custom solution?
Add this product to your job, favorites list or request a quick quote for volume pricing and lead time information. Our team is ready to assist with any special requirements.
Related Products
Description
Phoenix Contact 2905466 A plug-in lightning and surge arrester combination suitable for 1-phase power supply networks is required, specifically meeting the Type 1+2/Class I+II standards, where the Neutral (N) and Earth (PE) conductors are separated into distinct L1, PE, and N lines.
Specifications
Fault Warning
Optical
Max Discharge Capacity
50 Ka
Arrester Class according to IEC
I - II
Arrester Class according to IEC
T1 - T2
Impulse Discharge Current
25 Ka
Manufacturer
Phoenix Contact
Connection Method
Screw Connection
Surge Protector Type
Replacement Plug
Maximum Continous Voltage
264 Volt
Nominal Discharge Current
25 Ka
Surge Protector Line Voltage
240 Volt
Component
Surge Arrester
Features
Optimum protective effect in the event of high-energy lightning currents, thanks to spark gap technology with low residual voltage characteristic
Easy to maintain due to consistently pluggable protection modules
Excellent level of information provided by mechanical/visual status indicator and remote indication contact
Surge protection family for universal use with optimum energy coordination from the lightning current arrester to the device protection
Maximum protection against dynamic overvoltages for sensitive devices, thanks to direct coordination with varistor arresters connected in parallel
Downloads
Phoenix 2905466 CAD data International.dxfPhoenix 2905466 CAD data International.pdfPhoenix 2905466 CAD data International.stpPhoenix 2905466 Flyer English-2.pdfPhoenix 2905466 Flyer English.pdfPhoenix 2905466 Manufacturers declaration English.pdfPhoenix 2905466 Manufacturers declaration International.pdfPhoenix 2905466 Package Slip International.pdfPhoenix 2905466 Product Information English.pdfPhoenix 2905466 Surge Protection English.pdfPhoenix 2905466 Tender Text English.zip

Code: 72150
Phoenix Contact 2905466 Type 1+2 special combined lightning current and surge arrester FLT-SEC-T1+T2-1S-350/25-FM
$1015.01
Sale Price
$845.84





