- About
- Related Products
- Description
- Specifications
- Features
- Downloads
- Shipping







Images are for illustration only and may not reflect the actual product. Refer to the description or specs.
Phoenix Contact 2905470 Type 1+2 special combined lightning current and surge arrester FLT-SEC-T1+T2-3S-350/25-FM
Normally In Stock
Code: 72127
FLT-SEC-T1+T2-3S-350/25-FM Phoenix 2905470 Arrester combination 240/415 VAC Plug-in/screw connection via COMBICON,Screw connection,Fork-type cable lug Type 1+2 protective device combination Surge Protection
Condition: New
Usually ships Same Day or Next Day$1844.94
Sale Price
$1537.45
Tariff Status
Tariff may apply if shipping to the United States. Tariff costs are calculated and will be displayed in the shopping cart.
Need a large quantity or a custom solution?
Add this product to your job, favorites list or request a quick quote for volume pricing and lead time information. Our team is ready to assist with any special requirements.
Related Products
Description
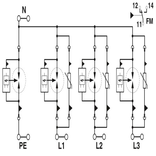
Phoenix Contact 2905470 For 3-phase power supply networks, a plug-in lightning and surge arrester combination conforming to Type 1+2/Class I+II is used, with each phase (L1, L2, L3) and neutral (N), as well as the protective earth (PE) connected separately.
Specifications
Fault Warning
Optical
Max Discharge Capacity
16 A (30 °C)
Arrester Class according to IEC
C2
Arrester Class according to IEC
C3
Arrester Class according to IEC
D1
Combined Surge
4 Kv
Direction of Action
L-N-PE
Direction of Action
Signal Line-Shield-Earth Ground
Manufacturer
Phoenix Contact
Surge Protector Type
Device Protection
Nominal Discharge Current
3 Ka
Surge Protector Line Voltage
240-415 Volt
Component
Surge Arrester
Features
Optimum protective effect in the event of high-energy lightning currents, thanks to spark gap technology with low residual voltage characteristic
Easy to maintain due to consistently pluggable protection modules
Excellent level of information provided by mechanical/visual status indicator and remote indication contact
Surge protection family for universal use with optimum energy coordination from the lightning current arrester to the device protection
Maximum protection against dynamic overvoltages for sensitive devices, thanks to direct coordination with varistor arresters connected in parallel
Downloads
Phoenix 2905470 CAD data International.dxfPhoenix 2905470 CAD data International.pdfPhoenix 2905470 CAD data International.stpPhoenix 2905470 Flyer English-2.pdfPhoenix 2905470 Flyer English.pdfPhoenix 2905470 Manufacturers declaration English.pdfPhoenix 2905470 Manufacturers declaration International.pdfPhoenix 2905470 Package Slip International.pdfPhoenix 2905470 Product Information English.pdfPhoenix 2905470 Surge Protection English.pdfPhoenix 2905470 Tender Text English.zip

Code: 72127
Phoenix Contact 2905470 Type 1+2 special combined lightning current and surge arrester FLT-SEC-T1+T2-3S-350/25-FM
$1844.94
Sale Price
$1537.45





