- About
- Related Products
- Description
- Specifications
- Features
- Downloads
- Shipping






Images are for illustration only and may not reflect the actual product. Refer to the description or specs.
Phoenix Contact 2688433 Function module AXL F SSI1 AO1 1H
Normally In Stock
Code: 71048
AXL F SSI1 AO1 1H Phoenix 2688433 I/O component Axioline Analog Output,Bus Axioline F connector 100 Mbps Push-in connection,Bus base module PLC & IO
Condition: New
Usually ships Same Day or Next Day$629.16
Sale Price
$524.30
Tariff Status
Tariff may apply if shipping to the United States. Tariff costs are calculated and will be displayed in the shopping cart.
Need a large quantity or a custom solution?
Add this product to your job, favorites list or request a quick quote for volume pricing and lead time information. Our team is ready to assist with any special requirements.
Related Products
Description
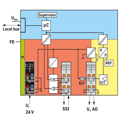
Phoenix Contact 2688433 The Axioline F function module features a single SSI interface for absolute encoder input, along with various analog output options including 0-10V, ±10V, 0-5V, ±5V, 0-20mA, 4-20mA, and ±20mA, as well as a 2-conductor connection technology that encompasses the bus base module and connectors.
Specifications
PLC & IO Degree of Protection
IP20
PLC & IO Transmission Speed
100 Mbps
PLC & IO Connection Method
Bus Base Module
PLC & IO Connection Method
Push-In Connection
PLC & IO Network Interface
Axioline F Local Bus
PLC & IO Number of Analog Outputs
1
PLC & IO Type
Axioline
Manufacturer
Phoenix Contact
Component
I/O Component
Features
Monitoring of the 24 V encoder supply
Permanent short-circuit protection for all interfaces
1 SSI interface
Permanent surge protection against 24 V DC for all interfaces
Supports transmission speeds from 62.5 kHz to 2 MHz for SSI
8 -bit ... 56 -bit resolution
Supports Gray and binary code
1 analog, bipolar output channel for the connection of either voltage or current signals
Connection of actuators in 2-conductor technology
Voltage ranges: 0 V ... 10 V, ±10 V, 0 V ... 5 V, ±5 V
Current ranges: 0 mA ... 20 mA, 4 mA ... 20 mA, ±20 mA
Device rating plate stored
Downloads
Phoenix 2688433 CAD data International.dxfPhoenix 2688433 CAD data International.pdfPhoenix 2688433 CAD data International.stpPhoenix 2688433 Configuration software International.zipPhoenix 2688433 Data Sheet English.pdfPhoenix 2688433 Manual English.pdfPhoenix 2688433 Manufacturers declaration English.pdfPhoenix 2688433 Manufacturers declaration International-2.pdfPhoenix 2688433 Manufacturers declaration International.pdfPhoenix 2688433 Package Slip International-2.pdfPhoenix 2688433 Package Slip International.pdfPhoenix 2688433 Tender Text English.zipPhoenix 2688433 Various English.pdf

Code: 71048
Phoenix Contact 2688433 Function module AXL F SSI1 AO1 1H
$629.16
Sale Price
$524.30


