- About
- Description
- Specifications
- Features
- Downloads
- Shipping
Images are for illustration only and may not reflect the actual product. Refer to the description or specs.
Code: 148139
Phoenix Contact 1735888 PCB terminal block SPT 16/ 3-V-10,0-ZB
Normally In Stock
Phoenix Contact 1735888 SPT 16/ 3-V-10,0-ZB ,Copper Alloy,PA,I PCB terminal block
Condition: New
Usually ships Same Day or Next Day $13.13
Sale Price
$10.94
MUST BUY IN PACKS OF 50
Tariff Status
Tariff may apply if shipping to the United States. Tariff costs are calculated and will be displayed in the shopping cart.
Need a large quantity or a custom solution?
Add this product to your job, favorites list or request a quick quote for volume pricing and lead time information. Our team is ready to assist with any special requirements.
Description
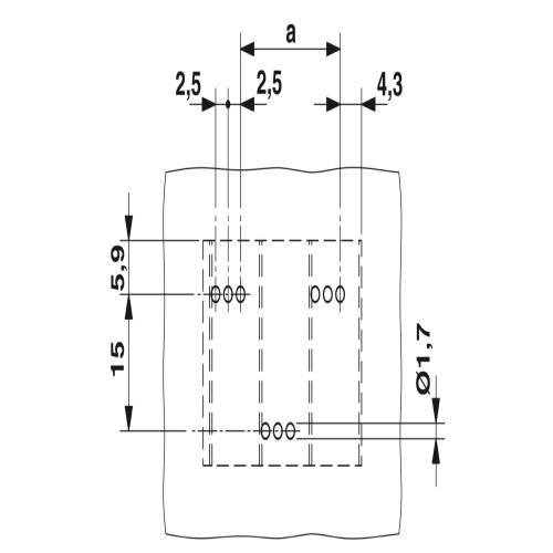
Phoenix Contact 1735888 A printed circuit board terminal has a nominal current of 76 A and is rated for a voltage of up to 1000 V. It features a cross-sectional area of 16mm², with three potentials and a layout consisting of one row with three positions per row. The product range includes the SPT 16/..-V series, has a pitch of 10mm, uses push-in spring connections for mounting via wave soldering, and the connection direction is at a 90° angle. The terminal is colored green and features a zigzag pin layout with solder pins that are 4mm long, and each potential has three solder pins.
Specifications
Terminal Block Voltage Rating
1000 Volt
Terminal Block Number of Connections
3
Terminal Block Amperage
76 Amp
Manufacturer
Phoenix Contact
Component
PCB Terminal Block
Terminal Block Voltage Rating
8 Kv
Terminal Block Voltage Rating
6 Kv
Features
Time saving push-in connection, tools not required
Defined contact force ensures that contact remains stable over the long term
Clamping space opened by means of fixed screwdriver enables convenient conductor connection
Unrestricted 600-V-UL approval thanks to compact zig-zag pinning
Vertical connection enables multi-row arrangement on the PCB

Code: 148139
Phoenix Contact 1735888 PCB terminal block SPT 16/ 3-V-10,0-ZB
$13.13
Sale Price
$10.94
MUST BUY IN PACKS OF 50


