- About
- Related Products
- Description
- Specifications
- Features
- Downloads
- Shipping



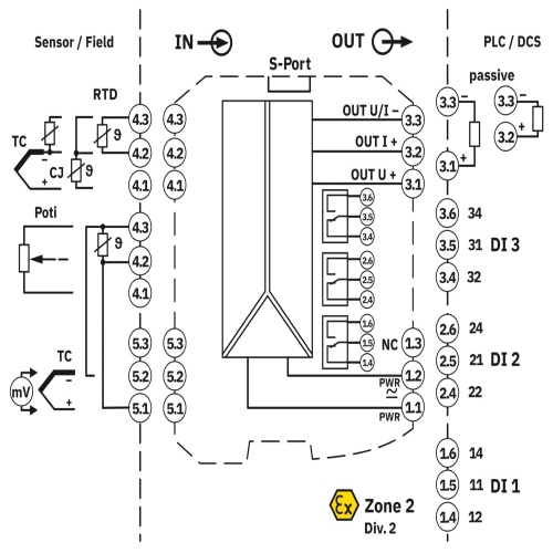
Images are for illustration only and may not reflect the actual product. Refer to the description or specs.
Phoenix Contact 2811378 Temperature measuring transducer MACX MCR-T-UIREL-UP
Normally In Stock
Code: 72346
MACX MCR-T-UIREL-UP MACX MCR-T-UIREL-UP Phoenix Contact 2811378 Input/output/power supply Temperature measuring transducer
Condition: New
Usually ships Same Day or Next Day$680.05
Sale Price
$566.71
Tariff Status
Tariff may apply if shipping to the United States. Tariff costs are calculated and will be displayed in the shopping cart.
Need a large quantity or a custom solution?
Add this product to your job, favorites list or request a quick quote for volume pricing and lead time information. Our team is ready to assist with any special requirements.
Related Products
Description
Phoenix Contact 2811378 A temperature measuring transducer with adjustable programming and analog output is available, featuring multiple options such as resistance thermometers in various conductor configurations, thermocouples, and a wide-range power supply. The device comes standard with four-way isolation and meets specific safety standards for SIL (2) and ISO 13849 (d), while also boasting a systematic capability of 2. Connection to the system can be achieved via screw terminals.
Specifications
Conditioner Connection Type
Screw Connection
Manufacturer
Phoenix Contact
Conditioner Output Signal Range
4 Ma - 20 Ma
Component
Temperature Transducer
Conditioner Output Signal Range
22 Ma
Conditioner Output Signal Range
± 11 Volt
Features
Installation in zone 2, protection type "n" (EN 60079-15) permitted
Configuration via software (FDT/DTM) or IFS-OP-UNIT operator interface and display unit
Up to SIL 2 in accordance with EN 61508
Cold junction compensation with separate plug
Programming during operation and also voltage-free using IFS-USB-PROG-ADAPTER programming adapter
Plug-in screw or spring-cage connection technology (Push-in technology)
Freely programmable input and output
Input for resistance thermometers, thermocouples, resistance-type sensors, potentiometers, and mV sources
Measure differential temperatures
Three limit value relays, can be used in combination as a safe limit value relay
Inverse output signal ranges as an option
Downloads
Phoenix 2811378 Application Note English.pdfPhoenix 2811378 CAD data International.dxfPhoenix 2811378 CAD data International.pdfPhoenix 2811378 CAD data International.stpPhoenix 2811378 Certification English-2.pdfPhoenix 2811378 Certification English.pdfPhoenix 2811378 Certification International.pdfPhoenix 2811378 Data Sheet English.pdfPhoenix 2811378 Drivers and Driver Modules International.zipPhoenix 2811378 E-Learning English.wmvPhoenix 2811378 Manual English.pdfPhoenix 2811378 Manufacturer's declaration English.pdfPhoenix 2811378 Manufacturer's declaration International-2.pdfPhoenix 2811378 Manufacturer's declaration International.pdfPhoenix 2811378 Manufacturers declaration English.pdfPhoenix 2811378 Manufacturers declaration International-2.pdfPhoenix 2811378 Manufacturers declaration International.pdfPhoenix 2811378 Package Slip International.pdfPhoenix 2811378 Software English.slbPhoenix 2811378 Software International.exePhoenix 2811378 Software International.zipPhoenix 2811378 Tender Text English.zip

Code: 72346
Phoenix Contact 2811378 Temperature measuring transducer MACX MCR-T-UIREL-UP
$680.05
Sale Price
$566.71





