- About
- Related Products
- Description
- Specifications
- Features
- Downloads
- Shipping





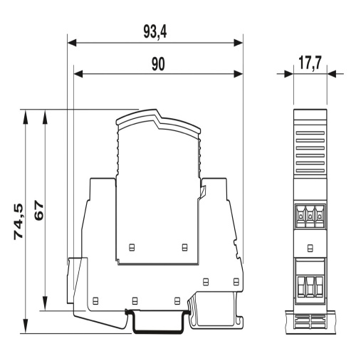
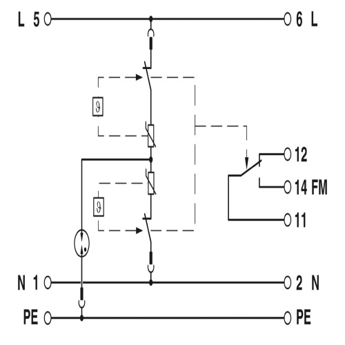
Images are for illustration only and may not reflect the actual product. Refer to the description or specs.
Phoenix Contact 2907917 Type 3 surge protection device PLT-SEC-T3-60-FM-UT
Normally In Stock
Code: 72186
PLT-SEC-T3-60-FM-UT Phoenix 2907917 Device protection 60 VAC Screw connection Type 3 surge protection device Surge Protection
Condition: New
Usually ships Same Day or Next Day$214.18
Sale Price
$178.48
Tariff Status
Tariff may apply if shipping to the United States. Tariff costs are calculated and will be displayed in the shopping cart.
Need a large quantity or a custom solution?
Add this product to your job, favorites list or request a quick quote for volume pricing and lead time information. Our team is ready to assist with any special requirements.
Related Products
Description
Phoenix Contact 2907917 The type 3 surge protection unit features a protective plug and base element that work together to provide safety in single-phase power supply networks, often indicated by an integrated status display and remote notification capabilities. This particular model is designed to operate within nominal voltages of 60V AC/DC.
Specifications
Fault Warning
Optical
Fault Warning
Multi-Stage
Manufacturer
Phoenix Contact
Surge Protector Type
Replacement Plug
Maximum Continous Voltage
30 Volt
Surge Protector Line Voltage
60 Volt
Component
Surge Protection Device
Features
Your preferred connection technology can be selected as both screw connection and Push-in connection are available
Easy to maintain due to consistently pluggable protection modules
Excellent level of information provided by mechanical/visual status indicator and remote indication contact
Surge protection family for universal use with optimum energy coordination from the lightning current arrester to the device protection
Optimal additional protection of the industrial power supply for a longer service life and increased availability of the system
Downloads
Phoenix 2907917 CAD data International.dxfPhoenix 2907917 CAD data International.pdfPhoenix 2907917 CAD data International.stpPhoenix 2907917 Flyer English-2.pdfPhoenix 2907917 Flyer English.pdfPhoenix 2907917 Manufacturers declaration English.pdfPhoenix 2907917 Manufacturers declaration International.pdfPhoenix 2907917 Package Slip International.pdfPhoenix 2907917 Product Information English.pdfPhoenix 2907917 Surge Protection English.pdfPhoenix 2907917 Tender Text English.zip

Code: 72186
Phoenix Contact 2907917 Type 3 surge protection device PLT-SEC-T3-60-FM-UT
$214.18
Sale Price
$178.48





