- About
- Related Products
- Description
- Specifications
- Features
- Downloads
- Shipping






Images are for illustration only and may not reflect the actual product. Refer to the description or specs.
Phoenix Contact 2906822 Surge protection device TTC-6-3-HF-F-M-EX-12DC-UT-I
Normally In Stock
Code: 72064
TTC-6-3-HF-F-M-EX-12DC-UT-I Phoenix 2906822 Surge protection for information technology 12 VDC Screw connection Surge protection device Surge Protection
Condition: New
Usually ships Same Day or Next Day$187.09
Sale Price
$155.91
Tariff Status
Tariff may apply if shipping to the United States. Tariff costs are calculated and will be displayed in the shopping cart.
Need a large quantity or a custom solution?
Add this product to your job, favorites list or request a quick quote for volume pricing and lead time information. Our team is ready to assist with any special requirements.
Related Products
Description
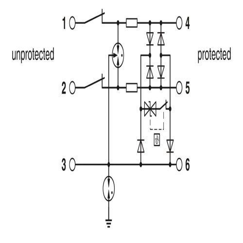
Phoenix Contact 2906822 For high-frequency applications, a surge protection device with an integrated status indicator and knife disconnection is required for 3-wire Ex i signal circuits with common reference potential, featuring indirect grounding through a gas discharge tube that complies with HART standards and can be utilized in safety-related circuits up to SIL 3.
Specifications
Manufacturer
Phoenix Contact
Connection Method
Screw Connection
Surge Protector Line Voltage
12 Volt
Surge Protector Type
Replacement Plug
Maximum Continous Voltage
30 Volt
Component
Surge Protection Device
Features
Signal circuits easily interrupted for maintenance work, thanks to vertical knife disconnection
Continuous monitoring of protective devices, plus mechanical status indicator with optional remote signaling
Finding the right product for all possible requirements in MCR applications is easy, thanks to the complete range of products with customized features
Space-saving and cost-saving with a narrow overall width of just 6 mm
Downloads
Phoenix 2906822 Application Note English.pdfPhoenix 2906822 CAD data International.dxfPhoenix 2906822 CAD data International.pdfPhoenix 2906822 CAD data International.stpPhoenix 2906822 Certification English.pdfPhoenix 2906822 Certification International-2.pdfPhoenix 2906822 Certification International-3.pdfPhoenix 2906822 Certification International-4.pdfPhoenix 2906822 Certification International.pdfPhoenix 2906822 Flyer English-2.pdfPhoenix 2906822 Flyer English.pdfPhoenix 2906822 Manufacturers declaration English.pdfPhoenix 2906822 Manufacturers declaration International.pdfPhoenix 2906822 Package Slip International.pdfPhoenix 2906822 Product Information English.pdfPhoenix 2906822 Surge Protection English.pdfPhoenix 2906822 Tender Text English.zip

Code: 72064
Phoenix Contact 2906822 Surge protection device TTC-6-3-HF-F-M-EX-12DC-UT-I
$187.09
Sale Price
$155.91





