- About
- Related Products
- Description
- Specifications
- Features
- Downloads
- Shipping
Images are for illustration only and may not reflect the actual product. Refer to the description or specs.
Code: 72055
Phoenix Contact 2801288 Surge protection device PT-IQ-3-HF-12DC-PT
Normally In Stock
PT-IQ-3-HF-12DC-PT Phoenix 2801288 Surge protection for information technology 12 VDC Push-in connection,DIN rail NS35 Surge protection device Surge Protection
Condition: New
Usually ships within 7-14 days. Call for ship time.$266.98
Sale Price
$222.48
Tariff Status
Tariff may apply if shipping to the United States. Tariff costs are calculated and will be displayed in the shopping cart.
Need a large quantity or a custom solution?
Add this product to your job, favorites list or request a quick quote for volume pricing and lead time information. Our team is ready to assist with any special requirements.
Related Products
Description
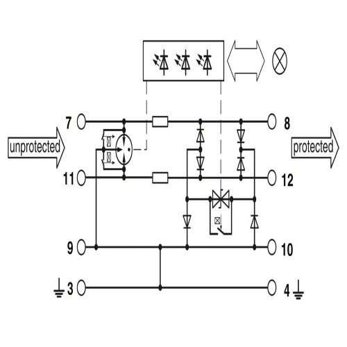
Phoenix Contact 2801288 A surge protection system consists of a protective plug and base element, which includes an integrated multi-stage status indicator for three signal wires with a common reference potential, suitable for high-frequency applications and telecommunications interfaces that do not require a supply voltage, with data transfer rates up to 90 Mbps, and can be used in safety-critical circuits rated SIL 3.
Specifications
Max Discharge Capacity
80 A
Fault Warning
Optical
Fault Warning
Remote Indicator Contact
Arrester Class according to IEC
II
Arrester Class according to IEC
T2
Manufacturer
Phoenix Contact
Connection Method
Screw Connection
Surge Protector Line Voltage
12 Volt
Maximum Continous Voltage
260 Volt
Surge Protector Type
Surge Arrester
Nominal Discharge Current
20 Ka
Component
Surge Protection Device
Features
Maximum ease of maintenance, thanks to the 2-piece design
Integration of the status message into the system controller via group remote signaling
Install quickly and error-free with DIN rail connectors
Predictive monitoring with 3-stage LED display
Maximum protection for MCR applications with high discharge capacity
Downloads
Phoenix 2801288 CAD data International.dxfPhoenix 2801288 CAD data International.pdfPhoenix 2801288 CAD data International.stpPhoenix 2801288 Flyer English-2.pdfPhoenix 2801288 Flyer English.pdfPhoenix 2801288 Manufacturers declaration English.pdfPhoenix 2801288 Manufacturers declaration International.pdfPhoenix 2801288 Package Slip International.pdfPhoenix 2801288 Product Information English.pdfPhoenix 2801288 Software International.zipPhoenix 2801288 Surge Protection English.pdfPhoenix 2801288 Tender Text English.zip

Code: 72055
Phoenix Contact 2801288 Surge protection device PT-IQ-3-HF-12DC-PT
$266.98
Sale Price
$222.48










