- About
- Related Products
- Description
- Specifications
- Features
- Downloads
- Shipping






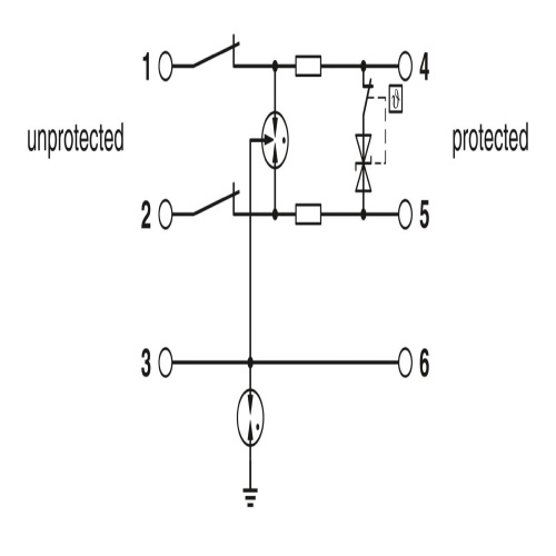
Images are for illustration only and may not reflect the actual product. Refer to the description or specs.
Phoenix Contact 2906764 Surge protection device TTC-6-1X2-F-M-24DC-UT-I
Normally In Stock
Code: 71711
TTC-6-1X2-F-M-24DC-UT-I Phoenix 2906764 Surge protection for measurement and control technology 24 VDC Screw connection Surge protection device Surge Protection
Condition: New
Usually ships Same Day or Next Day$158.64
Sale Price
$132.20
Tariff Status
Tariff may apply if shipping to the United States. Tariff costs are calculated and will be displayed in the shopping cart.
Need a large quantity or a custom solution?
Add this product to your job, favorites list or request a quick quote for volume pricing and lead time information. Our team is ready to assist with any special requirements.
Related Products
Description
Phoenix Contact 2906764 A surge protection system with an integrated status indicator and knife disconnection is available for use with 2-wire floating signal circuits, such as a 0(4) mA to 20 mA current loop. This system also features indirect grounding via a gas discharge tube and is compatible with HART protocols. It can be utilized in safety-related circuits with a SIL level of up to 3.
Specifications
Fault Warning
Optical
Arrester Class according to IEC
C1
Arrester Class according to IEC
C2
Arrester Class according to IEC
C3
Direction of Action
Line-Earth Ground
Manufacturer
Phoenix Contact
Connection Method
Push-In Connection
Surge Protector Line Voltage
24 Volt
Maximum Continous Voltage
150 Volt
Surge Protector Type
Surge Protection For Measurement And Control Technology
Nominal Discharge Current
2.5 Ka
Component
Surge Protection Device
Features
Signal circuits easily interrupted for maintenance work, thanks to vertical knife disconnection
Continuous monitoring of protective devices, plus mechanical status indicator with optional remote signaling
Finding the right product for all possible requirements in MCR applications is easy, thanks to the complete range of products with customized features
Space-saving and cost-saving with a narrow overall width of just 6 mm
Downloads
Phoenix 2906764 Tender Text English.zipPhoenix 2906764 Surge Protection English.pdfPhoenix 2906764 Product Information English.pdfPhoenix 2906764 Manufacturers declaration International.pdfPhoenix 2906764 Manufacturers declaration English.pdfPhoenix 2906764 Flyer English.pdfPhoenix 2906764 Flyer English-2.pdfPhoenix 2906764 Certification International.pdfPhoenix 2906764 Certification International-2.pdfPhoenix 2906764 CAD data International.stpPhoenix 2906764 CAD data International.pdfPhoenix 2906764 CAD data International.dxfPhoenix 2906764 Application Note English.pdf

Code: 71711
Phoenix Contact 2906764 Surge protection device TTC-6-1X2-F-M-24DC-UT-I
$158.64
Sale Price
$132.20





