- About
- Related Products
- Description
- Specifications
- Features
- Downloads
- Shipping
Images are for illustration only and may not reflect the actual product. Refer to the description or specs.
Code: 71639
Phoenix Contact 2906729 Surge protection device TTC-6-2X1-M-24DC-PT-I
Normally In Stock
TTC-6-2X1-M-24DC-PT-I Phoenix 2906729 Surge protection for measurement and control technology 24 VDC Push-in connection Surge protection device Surge Protection
Condition: New
Usually ships Same Day or Next Day$153.18
Sale Price
$127.65
Tariff Status
Tariff may apply if shipping to the United States. Tariff costs are calculated and will be displayed in the shopping cart.
Need a large quantity or a custom solution?
Add this product to your job, favorites list or request a quick quote for volume pricing and lead time information. Our team is ready to assist with any special requirements.
Related Products
Description
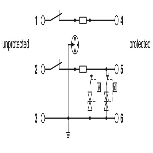
Phoenix Contact 2906729 A surge protection solution featuring an integrated status indicator and disconnect knife is designed for use in safety-critical applications, such as those requiring SIL 3 certification, particularly with signal wires that share a common reference potential like Digital IN/OUT.
Specifications
Fault Warning
None
Arrester Class according to IEC
C1
Arrester Class according to IEC
C2
Arrester Class according to IEC
C3
Arrester Class according to IEC
D1
Arrester Class according to IEC
B2
Direction of Action
Line-Line
Direction of Action
Line-Earth Ground
Manufacturer
Phoenix Contact
Connection Method
Screw Connection
Surge Protector Line Voltage
24 Volt
Maximum Continous Voltage
60 Volt
Surge Protector Type
Surge Protection For Measurement And Control Technology
Nominal Discharge Current
5 Ka
Component
Surge Protection Device
Features
Space-saving and cost-saving with a narrow overall width of just 6 mm
Continuous monitoring of protective devices, plus mechanical status indicator with optional remote signaling
Finding the right product for all possible requirements in MCR applications is easy, thanks to the complete range of products with customized features
Signal circuits easily interrupted for maintenance work, thanks to vertical knife disconnection
Downloads
Phoenix 2906729 Application Note English.pdfPhoenix 2906729 CAD data International.dxfPhoenix 2906729 CAD data International.pdfPhoenix 2906729 CAD data International.stpPhoenix 2906729 Certification International-2.pdfPhoenix 2906729 Certification International.pdfPhoenix 2906729 Flyer English-2.pdfPhoenix 2906729 Flyer English.pdfPhoenix 2906729 Manufacturers declaration English.pdfPhoenix 2906729 Manufacturers declaration International.pdfPhoenix 2906729 Product Information English.pdfPhoenix 2906729 Surge Protection English.pdfPhoenix 2906729 Tender Text English.zip

Code: 71639
Phoenix Contact 2906729 Surge protection device TTC-6-2X1-M-24DC-PT-I
$153.18
Sale Price
$127.65










