- About
- Related Products
- Description
- Specifications
- Features
- Downloads
- Shipping







Images are for illustration only and may not reflect the actual product. Refer to the description or specs.
Phoenix Contact 2904623 Power supply unit QUINT4-PS/3AC/24DC/40
Normally In Stock
Code: 68255
QUINT4-PS/3AC/24DC/40 Phoenix 2904623 Power supply 3x 400 VAC - 500 VAC -20 % - +10 % 40 Amp 3x 400 VAC - 500 VAC -20 % - +10 % Power Supplies and UPS
Condition: New
Usually ships Same Day or Next Day$662.60
Sale Price
$552.17
Tariff Status
Tariff may apply if shipping to the United States. Tariff costs are calculated and will be displayed in the shopping cart.
Need a large quantity or a custom solution?
Add this product to your job, favorites list or request a quick quote for volume pricing and lead time information. Our team is ready to assist with any special requirements.
Related Products
Description
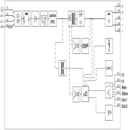
Phoenix Contact 2904623 A primary-switched quint power supply featuring a customizable output characteristic curve, selective fuse breaking (SFB) technology, and an NFC interface is available for use with a 3-phase input and producing a stable 24V DC output of up to 40A.
Specifications
Power Supply Type
Switching
Power Supply Mounting
Din Rail Mount
Power Supply Number of Outputs
Single Output
Power Supply Voltage Output
24 VDC
Power Supply Watts
960 Watt
Power Supply Housing
Enclosed
Power Supply Amperage Output
40 Amp
Component
Power Supply
Manufacturer
Phoenix Contact
Line
QUINT
Power Supply Amperage Output Range
31-40 Amp
Power Supply Voltage Input Range
400 VAC - 500 VAC
Features
Available pre-configured: from a batch quantity of just 1
Most robust input side: high noise immunity, thanks to integrated gas-filled surge arrester (up to 6 kV) and ≥ 20 ms mains failure buffer time
Most comprehensive signaling: preventive function monitoring reports critical operating states before errors occur
Most powerful output side: easy system expansion, reliable heavy load startup and miniature circuit breaker tripping
Downloads
Phoenix 2904623 CAD data International.dxfPhoenix 2904623 CAD data International.pdfPhoenix 2904623 CAD data International.stpPhoenix 2904623 Data Sheet English.pdfPhoenix 2904623 Manufacturers declaration International.pdfPhoenix 2904623 Package Slip International.pdfPhoenix 2904623 Software International.zipPhoenix 2904623 Tender Text English.zipPhoenix 2904623 Various English.pdfPhoenix 2904623 Various English.wmv

Code: 68255
Phoenix Contact 2904623 Power supply unit QUINT4-PS/3AC/24DC/40
$662.60
Sale Price
$552.17





