- About
- Related Products
- Description
- Specifications
- Features
- Downloads
- Shipping







Images are for illustration only and may not reflect the actual product. Refer to the description or specs.
Phoenix Contact 2906367 Uninterruptible power supply TRIO-UPS-2G/3AC/24DC/20
Normally In Stock
Code: 38098
TRIO-UPS-2G/3AC/24DC/20 Phoenix Contact 2906367 TRIO DC/DC 24 VDC 20 Amp UPS with Push-In Connections.
Condition: New
Usually ships within 7-14 days. Call for ship time.$740.93
Sale Price
$617.44
Tariff Status
Tariff may apply if shipping to the United States. Tariff costs are calculated and will be displayed in the shopping cart.
Need a large quantity or a custom solution?
Add this product to your job, favorites list or request a quick quote for volume pricing and lead time information. Our team is ready to assist with any special requirements.
Related Products
Description
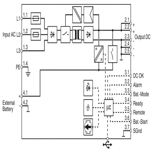
Phoenix Contact 2906367 The TRIOS is a compact power supply unit (PSU) that combines the functionality of a traditional UPS with an integrated power supply, allowing for easy installation on a DIN rail. It features multiple connections, including USB and Modbus/RTU ports, making it suitable for various applications. The device accepts a 3-phase power input and outputs 24V DC at a maximum capacity of 20A.
Specifications
Power Supply Mounting
Din Rail Mount
Power Supply Voltage Output
24 VDC
Power Supply Housing
Enclosed
Power Supply Amperage Output
20 Amp
Component
DC UPS
Manufacturer
Phoenix Contact
Line
TRIO
Power Supply Amperage Output Range
16-20 Amp
Features
Space saving: Combination of UPS module and power supply in the same housing
Long buffer times, thanks to large selection of VRLA energy storage systems
USB interface for connection to higher-level controllers such as industrial PCs
Startup from the energy storage system possible, even without mains input
Universal range of possible applications, thanks to a comprehensive package of approvals and an extended temperature range
Easy installation, thanks to push-in connection technology
Downloads
Phoenix 2906367 CAD data International.dxfPhoenix 2906367 CAD data International.pdfPhoenix 2906367 CAD data International.stpPhoenix 2906367 Data Sheet English.pdfPhoenix 2906367 Manufacturers declaration International-2.pdfPhoenix 2906367 Manufacturers declaration International.pdfPhoenix 2906367 Package Slip International.pdfPhoenix 2906367 Software International.zipPhoenix 2906367 Tender Text English.zipPhoenix 2906367 Various English.pdfPhoenix 2906367 Various English.png

Code: 38098
Phoenix Contact 2906367 Uninterruptible power supply TRIO-UPS-2G/3AC/24DC/20
$740.93
Sale Price
$617.44





