- About
- Related Products
- Description
- Specifications
- Features
- Downloads
- Shipping






Images are for illustration only and may not reflect the actual product. Refer to the description or specs.
Weidmuller 1303760000 Safety Relay
Normally In Stock
Code: 191345
Weidmuller 1303760000 - 24 VAC,24 VDC - DIN Rail Mounting - Screw Connection -
Condition: New
Usually ships within 4 weeks. Call for ship time.$368.88
Sale Price
$307.40
Tariff Status
Tariff may apply if shipping to the United States. Tariff costs are calculated and will be displayed in the shopping cart.
Need a large quantity or a custom solution?
Add this product to your job, favorites list or request a quick quote for volume pricing and lead time information. Our team is ready to assist with any special requirements.
Related Products
Description
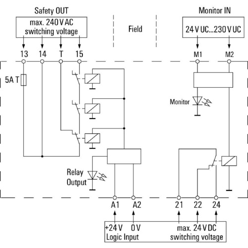
Weidmuller 1303760000 - Introducing the SAFESERIES Contact Extension, the ultimate solution for signal monitoring and safety protection in applications for the safeguarding of people and machinery. This extension utilizes relays with forcibly guided contacts, complying with EN 61810-3 Type A standards, ensuring safe feedback to the control level. The Contact Extension consists of five pluggable relays, each with matching screw sockets, available in different contact configurations: 2 NO + 2 NC, 3 NO + 1 NC, 4 NO + 2 NC, 3 NO + 3 NC, and 5 NO + 1 NC. By designing your application according to EN/ISO 13849-1, a performance level of PL "e" can be achieved, providing a high level of safety. The Contact Extension is also suitable for safety applications according to IEC/EN 62061, allowing you to achieve a safety integrity level of SIL3. Additionally, the Contact Extension carries cULus listed approval, ensuring its acceptance on the North American market, and CQC approval for conformity with Chinese quality standards. The extension comes as an assembled and 100% functionally tested kit, consisting of a relay and socket with an integrated status LED for easy diagnostics. With a diagnosis coverage of 99%, the SAFESERIES Contact Extension provides reliable and comprehensive safety monitoring for your applications.
Specifications
Relay Mounting
Din Rail
Relay Connection Type
Screw Connection
Coil Voltage Rating
24 VDC
Coil Voltage Rating
24 VAC
Component
Safety Relay
Manufacturer
Weidmuller
Relay Indication
Yellow LED
Features
This safety relay is used in areas of process automation that require a functionally safe switch-off.
The module meets the requirements for SIL3 according to EN 61508.
Variant with monitoring circuit TUV certified and with "Approved Safety Function" cULus certified Multi-voltage input (24 - 230 V UC) in the monitoring circuit Available with G3 paint according to EN 60068-2-60 Externally accessible fuse
Downloads

Code: 191345
Weidmuller 1303760000 Safety Relay
$368.88
Sale Price
$307.40





