Understanding_Control_Wiring_Diagrams-_Intro.pdf
Transcript:
[0m:4s] Hi I'm Josh Bloom, welcome to another video in the RSP Supply education series. If you find that these videos are helpful to you, it certainly helps us out if you could give us a big thumbs up and subscribe to our channel.
[0m:15s] In today's video, we are excited to introduce a new series in which we are going to be learning more about wiring diagrams.
[0m:23s] These videos will focus specifically on wiring diagrams that are related to industrial control and what you might encounter when laying out schematics for a control panel that include power and signal drawings.
[0m:39s] In this brief series, we will cover things such as what a wiring diagram is and how to gather the necessary information to start such a drawing.
[0m:49s] We will also look at how to actually draw the diagram in a CAD program.
[0m:55s] When learning how to draw these diagrams, we will focus on a few specific areas such as power distribution, signal diagrams, both analog and digital, and several other topics that will hopefully help provide you with a better overall understanding of what goes into one of these drawings and how to read them.
[1m:16s] For the purpose of this video, we want to start off by talking about some of the things that you need to consider before beginning one of these drawings. There is a lot of information that needs to be gathered and understood before starting the design of an electrical layout.
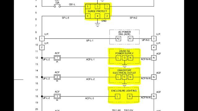
[1m:33s] One of the first things that should be considered when designing an electrical schematic is power.
[1m:39s] What type of power is going to be provided? Is it 120 volts? Is it 480 volts, or is it something different?

[1m:47s] It is very important to have this information because it will greatly impact the design and hardware that will be used to generate the drawing.

[1m:57s] In regards to power, it is critical to think about safety in your design, and what type of protection needs to be provided to not only meet code, but to ensure that anyone who might come in close proximity to the electrical system will be safe and confident in knowing that it has been designed properly.
[2m:20s] It is important to think about all of the different circuits in the design and to think about what type of protection is needed for each one.

[2m:29s] Are you using fuses or circuit breakers? And what hardware is being used, and how much current is being drawn by that hardware? These are just a few of the things that need to be considered in relationship to power safety and protection.

[2m:44s] It is also very important to understand what the system you are designing is intended to do and how it is meant to function.

[2m:53s] Understanding this intended function will greatly impact the design of the electrical diagram. Is each circuit intended to be protected individually with supplementary circuit protection,

[3m:6s] or will there be several circuits all protected by one branch protection device? If you are wiring instrumentation to your system, are those instruments self powered or loop powered?


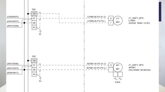
[3m:18s] It is also important to know how many different signals need to be monitored and controlled in your system. Knowing this IO count can help in assisting the design of your control panel and how it will actually function.
[3m:32s] In addition to power and functionality, it is very important to know what type of hardware is going to be used.

[3m:39s] Not only is the type of hardware important, but it is important to have specific model numbers of the hardware being used.
[3m:47s] The reason for this is because all hardware is wired differently, and in order to design your system correctly, you need to know how everything needs to be connected.

[3m:58s] As mentioned before, there are a lot of things that go into the planning and design of one of these diagrams.
[4m:5s] And if anything is missed, it can mean the difference between a functioning electrical system and a system that is potentially dangerous coupled with poor performance. For a full line of industrial hardware and thousands of other products, please go to our website. For more information or other educational videos, go to RSPSupply.com, the Internet's top source for industrial hardware. Also, don't forget: like and subscribe.


