- About
- Related Products
- Description
- Specifications
- Features
- Downloads
- Shipping




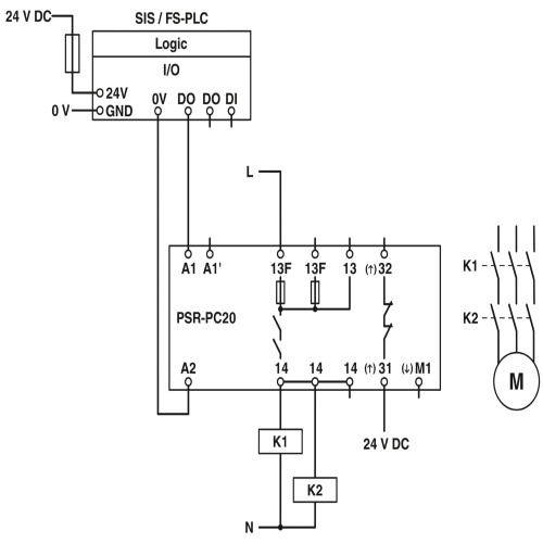
Images are for illustration only and may not reflect the actual product. Refer to the description or specs.
Phoenix Contact 2700578 Coupling relay PSR-PC20-1NO-1NC-24DC-SP
Normally In Stock
Code: 73055
PSR-PC20-1NO-1NC-24DC-SP Phoenix 2700578 Coupling relay
Condition: New
Usually ships Same Day or Next Day$181.44
Sale Price
$151.20
Tariff Status
Tariff may apply if shipping to the United States. Tariff costs are calculated and will be displayed in the shopping cart.
Need a large quantity or a custom solution?
Add this product to your job, favorites list or request a quick quote for volume pricing and lead time information. Our team is ready to assist with any special requirements.
Related Products
Description
Phoenix Contact 2700578 A coupling relay designed for SIL 3 high- and low-demand applications serves as a bridge between digital output signals and the periphery, facilitating power paths for current flow, verification currents, digital signal transmission, safe shutdown operations, testing pulses, and connectivity through TBUS and pluggable push-in terminal blocks.
Specifications
Safety Degree of Protection
IP20
Safety Connection Method
Push-In Connection
Safety Contact Type
1 Enabling Current Path
Safety Interfaces
TBUS
Component
Safety Relay
Manufacturer
Phoenix Contact
Safety Relay Supply Voltage
24 Volt
Features
Approved for Class I, Zone 2 applications
Force-guided contacts in accordance with EN 50205
Easy proof test according to IEC 61508 thanks to integrated signal contact
Up to SIL 3 in accordance with IEC 61508
Low housing width of just 12.5 mm
Enabling current path protected via internal fuse as an option
Long service life thanks to filtering of controller test pulses
1 enabling current path, 1 digital signal output, 1 diagnostic current path
Couples digital output signals from failsafe controllers to I/O devices (valves, etc.) for electrical isolation and power adaptation
Corrosion protection through protective coating on the PCB
Downloads

Code: 73055
Phoenix Contact 2700578 Coupling relay PSR-PC20-1NO-1NC-24DC-SP
$181.44
Sale Price
$151.20
