- About
- Related Products
- Description
- Specifications
- Features
- Downloads
- Shipping




Images are for illustration only and may not reflect the actual product. Refer to the description or specs.
Phoenix Contact 3244368 Mini feed-through terminal block MSDB 2,5-RZ OG
Normally In Stock
Code: 63436
MSDB 2,5-RZ OG Phoenix 3244368 Miniature terminal block Spring-cage connection 800 V 24 Amp orange Terminal Blocks
Condition: New
Usually Ships Same day or Next Day$2.32
Sale Price
$1.93
MUST BUY IN PACKS OF 50
Tariff Status
Tariff may apply if shipping to the United States. Tariff costs are calculated and will be displayed in the shopping cart.
Need a large quantity or a custom solution?
Add this product to your job, favorites list or request a quick quote for volume pricing and lead time information. Our team is ready to assist with any special requirements.
Related Products
Description
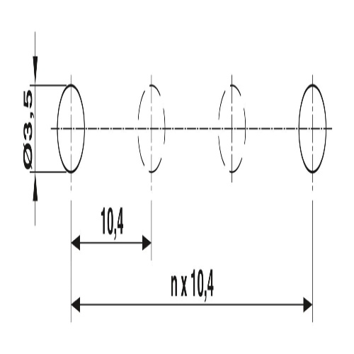
Phoenix Contact 3244368 A mini feed-through terminal block has a nominal voltage of 800V and can handle up to 24 amps of current. It features four connections made via spring-cage connection. The rated cross-sectional area is 2.5mm2 for the entire level, with individual areas ranging from 0.08mm2 to 4mm2. This terminal block is mounted on a mounting panel and has an orange color scheme.
Specifications
Terminal Block Indication
No Indicator
Terminal Block Voltage Rating
800 Volt
Terminal Block Fused
Not Fused
Terminal Block Width
10.4 mm
Terminal Block Number of Levels
1
Terminal Block Number of Connections
4
Terminal Block Grounded
Not Grounded
Terminal Block Max Wire Size
12
Terminal Block Component Color
Orange
Terminal Block Connection Method
Spring-Cage Connection
Terminal Block Min Wire Size
28
Terminal Block Amperage
24 Amp
Component
Terminal Block
Manufacturer
Phoenix Contact
Sub Component
Miniature Terminal Block
Sub Component
Mini Feed-Through Terminal Block
Features
Can be freely combined with MS(D)B 2,5‑M middle terminal blocks
Clear arrangement thanks to marking of all terminal points
Space saving thanks to compact design and mounting option on a 15 mm DIN rail
Easy potential distribution thanks to standardized plug-in bridges
Downloads
Phoenix 3244368 CAD data International.dxfPhoenix 3244368 CAD data International.pdfPhoenix 3244368 CAD data International.stpPhoenix 3244368 Certification English.pdfPhoenix 3244368 Certification International.pdfPhoenix 3244368 Manufacturers declaration International-2.pdfPhoenix 3244368 Manufacturers declaration International.pdfPhoenix 3244368 Safety note English.pdfPhoenix 3244368 Tender Text English.zipPhoenix 3244368 User instructions for the Ex Area International.pdf

Code: 63436
Phoenix Contact 3244368 Mini feed-through terminal block MSDB 2,5-RZ OG
$2.32
Sale Price
$1.93
MUST BUY IN PACKS OF 50





