TSLOTS Extrusion Profiles

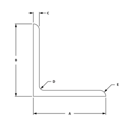
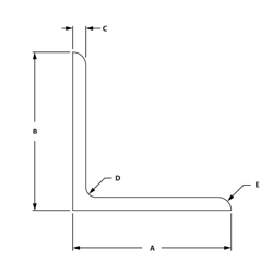
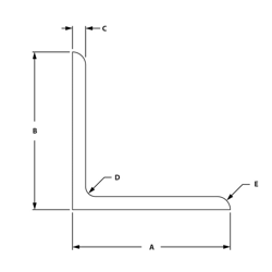
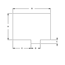
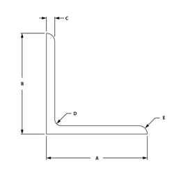
TSLOTS aluminum extrusion profiles are modular building components designed to create flexible, customizable structures for industrial and commercial applications. These profiles consist of hollow extruded aluminum bars with integrated T-shaped slots that run along one or more sides, allowing fasteners and accessories to be mounted anywhere along the length. RSP Supply offers a full catalog of TSLOTS extrusion profiles in a wide range of sizes and configurations to support frames, workstations, enclosures, machine bases, and guarding systems.
The lightweight yet durable construction of TSLOTS extrusion profiles provides an excellent strength-to-weight ratio. The hollow aluminum design supports high load-bearing capacity while remaining easy to handle and assemble. Aluminum’s natural corrosion resistance makes these profiles suitable for use in demanding environments, including manufacturing floors and other industrial settings where durability and longevity are required.
TSLOTS extrusion profiles are fully compatible with a broad range of accessories, including brackets, gussets, plates, panels, doors, and hardware. This compatibility allows systems to be easily expanded, reinforced, or reconfigured as needs change. With the addition of design tools such as TBUILD™, users can plan and visualize complete TSLOTS structures before assembly, helping streamline project development and reduce installation time.
Introducing TBUILD™ by TSLOTS
TBUILD is not just another design tool; it is a game-changer, making the design and creation process accessible to everyone. This revolutionary software features an intuitive drag-and-drop interface, providing both beginners and seasoned professionals an effortless design experience.
- Ease of Use: TBUILD is designed with simplicity in mind. With our drag-and-drop tool, you can easily select, place, and adjust components as you construct your design – no complex commands or extensive training needed.
- Web-Based Access: No need to download hefty software or worry about system compatibility. TBUILD is entirely web-based, allowing you to access your saved projects anytime or anywhere.
- Design Freedom: Our extensive library of TSLOTS extrusions and components means that you are limited only by your creativity. Experiment with different configurations until you find the perfect design.
- User Support: If you ever need assistance or guidance, our dedicated support team is readily available to help you navigate any challenges
Click here to experience the TBUILD difference!
FAQs
Q: What are TSLOTS extrusion profiles used for?
TSLOTS extrusion profiles are used to build modular structures such as workstations, frames, enclosures, machine bases, and industrial support systems.
Q: What makes T-slot aluminum extrusion modular?
The continuous T-shaped slots allow fasteners and accessories to be mounted at any point along the profile, enabling flexible design and easy reconfiguration.
Q: Are TSLOTS extrusion profiles strong enough for industrial applications?
Yes, the hollow aluminum design provides a high strength-to-weight ratio, making TSLOTS profiles suitable for many load-bearing industrial applications.
Q: Can accessories be added after assembly?
Yes, brackets, plates, panels, and other accessories can be added or repositioned within the T-slots even after the structure is assembled.
Q: What is TBUILD™ used for?
TBUILD™ is a web-based design tool that allows users to design and configure TSLOTS extrusion structures using a drag-and-drop interface before building.
Why Buy TSLOTS Extrusion Profiles from RSP Supply
RSP Supply offers a comprehensive selection of TSLOTS aluminum extrusion profiles to support modular framing and custom structural solutions. Our inventory includes multiple profile sizes and configurations compatible with the full TSLOTS accessory system. Customers rely on RSP Supply for dependable products, technical knowledge, and consistent sourcing for TSLOTS aluminum extrusion framing solutions.